Пожалуйста, включите JavaScript.
Обзор
Помощь
Вход
OgarkovIA
/
Labs
Следить
1
В избранное
0
Форкнуть
Вы уже форкнули Labs
0
Код
Задачи
Запросы на слияние
Пакеты
Проекты
Релизы
Вики
Активность
Вы не можете выбрать более 25 тем
Темы должны начинаться с буквы или цифры, могут содержать дефисы(-) и должны содержать не более 35 символов.
6147d62b4c
main
Ветки
Теги
${ item.name }
Создать тег
${ searchTerm }
Создать ветку
${ searchTerm }
из '6147d62b4c'
${ noResults }
Labs
/
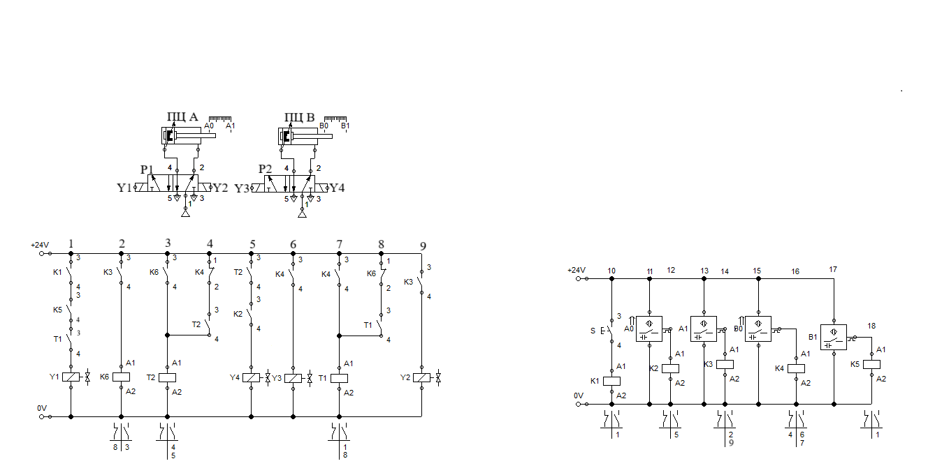
Пневмоавтоматика
/
Lab3
/
2.2_v2.png
35 KiB
Исходник
История